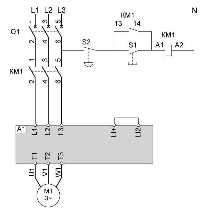
- Безударный плавный пуск двигателя вентилятора
- Крепление на DIN рейку, минимальные размеры корпуса
- Производство Schneider Electric
Распечатать
Устройство плавного пуска
Типоразмерный ряд
|
Устройство плавного пуска |
Регулирование времени пуска, с |
Размеры(Ш/В/Г), мм |
Вес, кг |
Максимальное сечение гибких проводов, мм2 |
Усилие затяжки, Н*м |
|
ATS01N209QN |
1 - 10 |
45 х 145 х 131 |
0,42 |
6 |
2,5 |
|
ATS01N212QN |
1 - 10 |
45 х 145 х 131 |
0,42 |
6 |
2,5 |
|
ATS01N222QN |
1 - 10 |
45 х 154 х 131 |
0,56 |
6 |
2,5 |
|
ATS01N232QN |
1 - 10 |
45 х 154 х 131 |
0,56 |
10 |
2,5 |
|
ATS22D47Q |
1 - 30 |
130 х 265 х 165 |
2,9 |
16 |
5 |
|
ATS22D62Q |
1 - 30 |
145 х 295 х 205 |
3,9 |
25 |
5 |


|
Мощность двигателя, кВт |
Линейный ток, А |
Устройство плавного пуска |
|
3/4 |
7,3/8,9 |
ATS01N209QN |
|
5,5 |
11,3 |
ATS01N212QN |
|
7,5/11 |
15,6/22 |
ATS01N222QN |
|
15 |
35 |
ATS01N232QN |
|
18,5/22 |
35/42 |
ATS22D47Q |
|
30 |
57 |
ATS22D62Q |
Поддержка
Каталог Системы вентиляции
Получить наиболее подробную
информацию о продукции Вы всегда
можете в нашем каталоге.
Единый прайс-лист
В нашем прайс-листе вы найдете
самые актуальные цены на всю
предлагаемую нами продукцию.
Сертификаты на продукцию
Вся продукция завода полностью
сертифицирована и прошла все
необходимые испытания.