ПРЕИМУЩЕСТВА
- удобство монтажа на наклонной кровле.
- надежность крепления крышных вентиляторов ВКМ.
Распечатать
Монтажный стакан под угловую кровлю (для вентиляторов ВКМ)
Типоразмерный ряд
СТм-У-ВКМ применяется в стационарных системах вытяжной вентиляции для работы без сети или с короткой сетью воздуховодов.
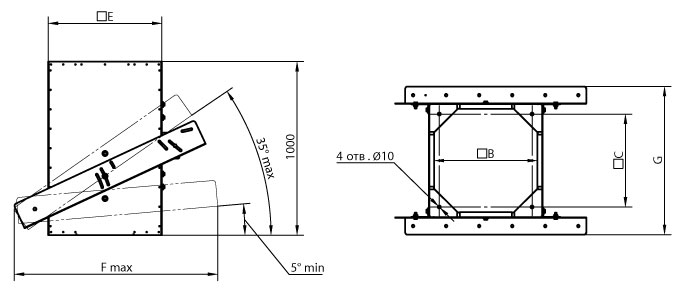
Стаканы СТм-У-ВКМ предназначены для монтажа вентиляторов ВКМ на крыше с уклоном в диапазоне от 5°-35°. Угол положения опор фиксируется в одном из трех положений: 5°-15°, 15°-25°, 25°-35°.
СТм-У-ВКМ изготовлены из оцинкованной листовой стали.
СТм-У-ВКМ имеют высоту h =1000 мм.
С внутренней стороны стенок СТм-У-ВКМ установлена и надёжно закреплена изоляция толщиной 25 мм против конденсации.
Конструктив стаканов обеспечивает высокую жёсткость и прочность всей конструкции за счет уголков, установленных с двух сторон.
Структура обозначения стаканов СТм-У-ВКМ в документации

Предприятие оставляет за собой право вносить конструктивные изменения, не влияющие на качество и технические характеристики изделия.
|
Обозначение |
Тип ВКМ |
В |
С |
Е |
F |
G |
Масса, кг. |
|
СТм-У-ВКМ- 2,25 |
2,25 |
270 |
245 |
324 |
835 |
524 |
37,6 |
|
СТм-У-ВКМ- 2,8; 3,10 |
2,8; 3,10 |
370 |
330 |
424 |
930 |
624 |
47,1 |
|
СТм-У-ВКМ- 3,55; 4,0 |
3,55; 4,0 |
530 |
450 |
584 |
1090 |
784 |
61,9 |
|
СТм-У-ВКМ- 4,5; 5,0 |
4,5; 5,0 |
600 |
535 |
654 |
1160 |
854 |
68,5 |
|
СТм-У-ВКМ- 5,6; 6,3 |
5,6; 6,3 |
830 |
750 |
884 |
1390 |
1084 |
88,3 |

Поддержка
Каталог Системы вентиляции
Получить наиболее подробную
информацию о продукции Вы всегда
можете в нашем каталоге.
Единый прайс-лист
В нашем прайс-листе вы найдете
самые актуальные цены на всю
предлагаемую нами продукцию.
Сертификаты на продукцию
Вся продукция завода полностью
сертифицирована и прошла все
необходимые испытания.