ПРИМЕНЕНИЕ
Реле ТР220 защищает обмотки трехфазных асинхронных электродвигателей от перегрева.
Реле защиты используется для двигателей, имеющих как биметаллические, так и позисторные (термисторные) термоконтакты.
Если температура обмоток двигателя превышает допустимую величину, то термоконтакты двигателя дают сигнал на реле защиты, которое отключает питание катушки магнитного пускателя. При этом реле ТР220 может включить резервный вентилятор или подать сигнал о неисправности на пульт оператора.
Предназначено для защиты двигателей вентиляторов и насосов в системах вентиляции и кондиционирования.
Описание работы
Реле защиты имеет два режима функционирования: «Работа» - при этом горит только зеленый светодиод СЕТЬ и аварийный, когда загорается красный светодиод АВАРИЯ. Режиму «Работа» соответствует нормальная температура обмоток двигателя, а при “Аварии” она повышена.
В аварийном режиме реле защиты переходит в состояние “замок”, выйти из которого, после устранения причин перегрева двигателя, можно нажатием кнопки СБРОС или при повторном включении питания. При помощи переключателя устанавливается тип термоконтактов: вм - двигатель с биметаллическими термоконтактами, ртс - у двигателя позисторные ( термисторные) термоконтакты.
Реле защиты также реагирует на обрыв термоконтактов двигателя и выходит в режим “Авария”.
Универсальная защита двигателя вентилятора
Реле гарантированно обеспечит защиту трехфазного двигателя вентилятора или насоса в следующих случаях:
- перегрузка по току двигателя вентилятора, при неправильном расчете параметров системы вентиляции
- (особенно важно для радиальных вентиляторов);
- обрыв, замыкание обмоток или перекос фаз питания двигателя;
- заклинивание вала двигателя при попадании внутрь вентилятора инородного тела;
- нарушение охлаждения двигателя;
- эксплуатация двигателя в помещениях с высокой температурой.
Установка реле ТР220 особенно рекомендуется в вентиляционных системах, где скорость вращения двигателя изменяется при помощи частотного регулятора.

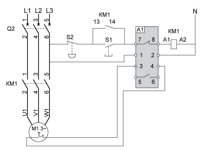
А1 - реле защиты ТР220
Q2 - автоматический выключатель
М1 - двигатель вентилятора с позисторными или биметаллическими термоконтактами
Т - термоконтакты двигателя
КМ1 - магнитный пускатель
S1 - кнопка ПИТАНИЕ;
S2 - кнопка ВЫКЛЮЧЕНИЕ
При нажатии кнопки S1 подается питание 220 В на катушку магнитного пускателя КМ1.
Магнитный пускатель включается, и если автоматический выключатель Q2 также включен, то на вентилятор подается питание 380 В. При нажатии кнопки S2 магнитный пускатель КМ1 выключается.
Автоматический выключатель Q2 защищает двигатель вентилятора от токов короткого замыкания.
Тип термоконтактов двигателя вентилятора (биметаллические или позисторные) выставляется переключателем на лицевой панели реле защиты ТР220.
При перегреве обмоток двигателя контакты 3 и 4 на реле защиты размыкаются и магнитный пускатель КМ1 выключается. На реле защиты загорается светодиод АВАРИЯ.
Данная схема подключения рекомендуется для надежной защиты приточных и вытяжных вентиляторов от перегрева обмоток двигателя.
После устранения причины аварии нажмите кнопку СБРОС или заново включите питание реле защиты.
Рекомендации по применению
Дополнительные контакты 5 и 6 реле защиты могут быть использованы для индикации сигнала аварии. Эти же контакты можно использовать для подключения катушки магнитного пускателя, который включит резервный вентилятор.