ПРЕИМУЩЕСТВА
- Лёгкость, простота при монтаже и максимальная эффективность.
- Всегда в наличии большой ассортимент
- Доступная цена
Распечатать
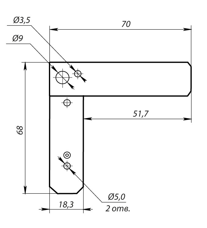
Уголок фланцевый сборный
|
Наименование |
Совместимость |
Толщина металла, мм |
Материал |
Стандартный размер, мм |
Масса, кг/шт. |
Упаковка |
|
Уголок УГФ-С |
Шина 20 -В |
1,2 |
Хомут-сталь оцинкованная; Плечо-сталь черная |
70*18 |
0,032 |
300 комплектов |

Поддержка
Каталог Системы вентиляции
Получить наиболее подробную
информацию о продукции Вы всегда
можете в нашем каталоге.
Единый прайс-лист
В нашем прайс-листе вы найдете
самые актуальные цены на всю
предлагаемую нами продукцию.
Сертификаты на продукцию
Вся продукция завода полностью
сертифицирована и прошла все
необходимые испытания.