ПРЕИМУЩЕСТВА
- Легкий и удобный монтаж.
- Хорошая устойчивость к механическим колебаниям.
- Хорошая эластичность, запас прочности на разрыв.
- Водостойкость.
- Устойчивость к высоким температурам до 70 ˚С.
Распечатать
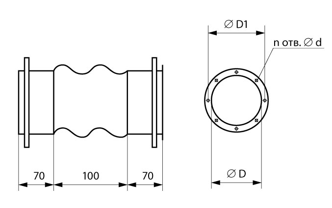
Гибкие вставки для радиальных
и канальных вентиляторов
Типоразмерный ряд
Типоразмер | Марка | Вход вентилятора | Выход вентилятора | Крепеж, шт./мм | |||||
D | D1 | L | b | L1 | b1 | d | n | ||
ВР-2,5М | BГ 250 | 255 | 280 |
|
|
|
| 7 | 8 |
ВГ 324*174 |
|
| 324 | 174 | 346 | 196 | 9 | 4 | |
ВР-2,8М | BГ 280 | 284 | 310 |
|
|
|
| 7 | 8 |
ВГ 382*221 |
|
| 361 | 200 | 382 | 221 | 9 | 4 | |
ВР-3,15М | BГ 315 | 320 | 345 |
|
|
|
| 7 | 8 |
ВГ 399*213 |
|
| 399 | 213 | 421 | 236 | 9 | 4 | |
ВР-3,55М | BГ 355 | 367 | 390 |
|
|
|
| 7 | 8 |
ВГ 468*246 |
|
| 468 | 246 | 462 | 246 | 9 | 4 | |
ВР-4,0М | BГ 400 | 404 | 430 |
|
|
|
| 7 | 8 |
ВГ 497*246 |
|
| 497 | 246 | 519 | 268,5 | 9 | 4 | |
ВР-4,5М | BГ 450 | 461 | 485 |
|
|
|
| 7 | 8 |
ВГ 589*301 |
|
| 567 | 278 | 589 | 302 | 9 | 4 | |
ВР-5,0М | BГ 500 | 510 | 530 |
|
|
|
| 7 | 17 |
ВГ 615х357 |
|
| 615 | 357 | 653 | 395 | 4 | 9 | |
ВР-6,3М | BГ 630 | 640 | 660 |
|
|
|
| 7 | 16 |
ВГ 775х448 |
|
| 775 | 448 | 813 | 486 | 4 | 9 | |
ВР-8,0М | BГ 800 | 820 | 850 |
|
|
|
| 7 | 16 |
ВГ 1016х494 |
|
| 1016 | 494 | 1054 | 532 | 4 | 11 | |
ВР-10,0М | BГ 1010 | 1010 | 1040 |
|
|
|
| 10 | 16 |
ВГ 1270х616 |
|
| 1270 | 616 | 1308 | 654 | 4 | 11 | |
ВР-12,5М | BГ 1270 | 1285 | 1310 |
|
|
|
| 12 | 24 |
ВГ 1015*890 |
|
| 1015 | 890 | 1055 | 930 | 11 | 4 | |



Поддержка
Каталог Системы вентиляции
Получить наиболее подробную
информацию о продукции Вы всегда
можете в нашем каталоге.
Единый прайс-лист
В нашем прайс-листе вы найдете
самые актуальные цены на всю
предлагаемую нами продукцию.
Сертификаты на продукцию
Вся продукция завода полностью
сертифицирована и прошла все
необходимые испытания.