НК-315

Канальный электрический
нагреватель (круглого сечения)

ПРЕИМУЩЕСТВА

  • Расширенный диапазон мощностей — от 0,6 кВт до 24 кВт. 
  • Высококачественные нагревательные элементы из нержавеющей стали. 
  • Корпус изготовлен из листовой стали с алюминиево-цинковым покрытием. 
  • Резиновые уплотнения для подсоединения к круглым воздуховодам. 
  • Встроенная защита от перегрева с автоматическим и ручным возвратом в исходное состояние.

       Cкачать раздел

Распечатать

Типоразмерный ряд

КОНСТРУКЦИЯ


Корпус и коммутационная коробка изготавливаются из стального листа с
AL-Zn покрытием. В качестве нагревательных элементов используются ТЭНы из нержавеющей стали повышенной надежности. В соединительной коробке имеются необходимые клеммы для электроприсоединений, с зажимами для простого и быстрого монтажа.
Электрокалориферы серии НК имеют степень защиты IP 43. Изготавливаются по ТУ 3442-026-15185548-2005.
Сертификат соответствия № РОСС RU.СЛ23.Н00035 от 10.04.2007 г.

ГАРАНТИЯ – 24 МЕСЯЦА


Тип электрокалорифера

НК315

Диаметр воздуховодов, мм

315

Мин. расход воздуха, м3/ч

415

Мощность, кВт

Напряжение, В

Фазность

Ток, А

Комплектация НК

2,0

220

1

9,1

Х

3,0

220

1

13,6

Х

4,0

380

2

10,0

Х

5,0

380

2

12,5

Х

6,0

380

3

9

Х

9,0

380

3

13,6

Х

12,0

380

3

18,1

Х

18,0

380

3

27,2

Х

 

Внимание!


оставляет за собой право конструктивных изменений, не ухудшающих основных характеристик электрокалориферов.



Обозначение

D, мм

D1, мм

B, мм

H, мм

НК-315

314

321

320

430




Рекомендуемая схема подключения круглого канального 

нагревателя НК, мощность 0,6–3,0 кВт, питание 220 В


Обозначение

Мощность, кВт

Линейный ток, А

Автоматический выключатель Q1

НК-315-2,0

2,0

9,1

С60А 2Р 10А

НК-315-3,0

3,0

13,6

С60А 2Р 16А




УСЛОВНЫЕ ОБОЗНАЧЕНИЯ 



  • L, N – сетевое питание 220 В; Е – ТЭНы;
  • Т1 – защита от перегрева, срабатывание на 80 °С, автоматический возврат на 70 °С;
  • Т2 – защита от пожара, срабатывание на 130 °С, возможность ручного возврата после 110 °С;
  • К1 – колодка питания канального нагревателя.












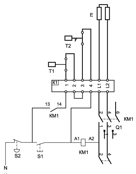
Рекомендуемая схема подключения круглого канального 

нагревателя НК, мощность 4 или 5 кВт, питание 380 В, двухфазное


Обозначение

Мощность, кВт

Линейный ток, А

Автоматический выключатель Q1

Магнитный пускатель КМ1

НК-315-4,0

4,0

10,0

С60А 2Р 16А

ПМУ0910М

НК-315-5,0

5,0

12,5

С60А 2Р 16А

ПМУ0910М




УСЛОВНЫЕ ОБОЗНАЧЕНИЯ

  • L1, L2, L3 – сетевое питание 380 В;
  • N – нейтраль;
  • Е – ТЭНы;
  • Т1 – защита от перегрева, срабатывание на 80 °С, автоматический возврат на 70 °С;
  • Т2 – защита от пожара, срабатывание на 130 °С, возможность ручного возврата после 110 °С;
  • К1 – колодка питания канального нагревателя;
  • Q1 – автоматический выключатель С60А;
  • КМ1 – магнитный пускатель ПМУ;
  • S1 – кнопка ПИТАНИЕ XB7EA31;
  • S2 – кнопка ВЫКЛЮЧЕНИЕ XB7EA42.






Рекомендуемая схема подключения круглого канального 

нагревателя НК, мощность от 4,5 до 24 кВт, питание 380 В, трехфазное


Обозначение

Мощность, кВт

Линейный ток, А

Автоматический выключатель Q1

Магнитный пускатель КМ1

НК-315-6,0

6,0

9,0

С60А 2Р 16А

ПМУ0910М

НК-315-9,0

9,0

13,6

С60А 2Р 16А

ПМУ0910М

НК-315-12,0

12,0

18,1

С60А 2Р 16А

ПМУ0910М

НК-315-18,0

18,0

27,2

С60А 2Р 16А

ПМУ0910М


 
УСЛОВНЫЕ ОБОЗНАЧЕНИЯ

  • L1, L2 – сетевое питание 380 В;
  • N – нейтраль;
  • Е – ТЭНы;
  • Т1 – защита от перегрева, срабатывание на 80 °С, автоматический возврат на 70 °С;
  • Т2 – защита от пожара, срабатывание на 130 °С, возможность ручного возврата после 110 °С;
  • К1 – колодка питания канального нагревателя;
  • Q1 – автоматический выключатель С60А;
  • КМ1 – магнитный пускатель ПМУ;
  • S1 – кнопка ПИТАНИЕ XB7EA31;
  • S2 – кнопка ВЫКЛЮЧЕНИЕ XB7EA42.



МОНТАЖ


Монтаж круглых канальных нагревателей (НК) может выполняться в горизонтальном или вертикальном воздуховоде. Направление движения воздуха должно соответствовать стрелке на калорифере. В горизонтальном воздуховоде соединительная коробка должна быть направлена вверх или с отклонением до 90˚в сторону. Направление соединительной коробки вниз не допускается. Минимальное расстояние до элементов системы вентиляции (колена воздуховода, вентилятора, заслонки и т.д.) должно быть не менее двух подсоединительных диаметров.
При подключении НК необходимо предусмотреть блокировку либо по работе вентилятора, либо по проходящему через калорифер потоку воздуха. Напряжение питания калорифера должно выключаться при остановке вентилятора/ отсутствии потока воздуха. Для подтверждения работы вентилятора можно установить дифференциальный датчик давления PS 500 (PS 1500), который может давать сигнал на включение/выключение канального нагревателя. Минимальная скорость воздуха составляет ≥ 1,5 м/с. Предлагаемые канальные воздухонагреватели разработаны для получения максимальной температуры на выходе 40 °С.

ЭЛЕКТРИЧЕСКОЕ ПОДКЛЮЧЕНИЕ


Кабель электропитания должен соответствовать мощности подключаемого канального нагревателя НК. Автоматический выключатель и магнитный пускатель должны соответствовать потребляемому току воздухонагревателя. Для задания температуры используется внешний регулятор мощности электронагревателя. Диапазон регулирования температуры составляет от 0 °С до 30 °С. Монтаж канальных нагревателей необходимо выполнять внутри помещения. Корпус НК должен быть заземлен.

ЗАЩИТА ОТ ПЕРЕГРЕВА


Канальные нагреватели НК оборудованы двухступенчатой защитой, обеспечивающей их отключение при перегреве: одна с автоматическим возвратом (биметаллический выключатель, на t перегр. 80 °С), другая с ручным возвратом (аварийная, для защиты от пожара при перегреве корпуса — на t перегр. 130 °С). Устройство ручного возврата защиты от перегрева находится на крышке нагревателя.
Во всех нагревателях, подключаемых на 220 В (мощность от 0,6 до 3,0 кВт), при перегреве термовыключатели размыкают сетевое питание канального нагревателя. В канальных нагревателях на 380 В (мощность от 4,0 до 24,0 кВт) при перегреве размыкается цепь между контактами 1 и 2, или 3 и 4. Для обеспечения нормальной работы НК на 380 В в схеме управления нагревом должны быть обязательно задействованы термовыключатели. Перегрев до 80 °С воздуха, выходящего из канального нагревателя, говорит о серьезной ошибке в расчете системы вентиляции или о резком падении производительности вентилятора (остановке вентилятора). Повторно включать нагреватель разрешается после устранения причины перегрева. Большой рабочий ток биметаллических термовыключателей — до 16А, позволяет подключать катушки контакторов прямо на термовыключатели без промежуточных реле, что значительно удешевляет стоимость щитов управления приточными установками.

Канальные нагреватели - НК-315

КОНСТРУКЦИЯКорпус и коммутационная коробка изготавливаются из стального листа сAL-Zn покрытием. В качестве нагревательных элементов используются ТЭНы из нержавеющей стали повышенной надежности. В соединительной коробке имеются необходимые клеммы для электроприсоединений, с зажимами для простого и быстрого монтажа.Электрокалориферы серии НК имеют степень защиты IP 43. Изготавливаются по ТУ 3442-026-15185548-2005.Сертификат соответствия № РОСС RU.СЛ23.Н00035 от 10.04.2007 г.ГАРАНТИЯ – 24 МЕСЯЦА

Канальные нагреватели - НК-315
0.00

Поддержка

Каталог Системы вентиляции

Получить наиболее подробную
информацию о продукции Вы всегда
можете в нашем каталоге.

Скачать

Единый прайс-лист

В нашем прайс-листе вы найдете
самые актуальные цены на всю
предлагаемую нами продукцию.

Скачать

Сертификаты на продукцию

Вся продукция завода полностью
сертифицирована и прошла все
необходимые испытания.

Перейти

Монтаж вентиляции
Аэродинамические испытания
Электрофизические измерения

Вентиляторы :: Воздуховоды :: Клапаны

+375 (29) 187-67-00

+375 (232) 53-54-55

часы работы: 9:00—18:00

Яндекс.Метрика