ЩУ6

Щиты управления с электрическими нагревателями

  • Регулирование температуры приточного воздуха 
  • Электрический калорифер мощностью до 48 кВт
  • Возможность подключение частотного регулятора


Распечатать

Регулировка температуры приточного воздуха при помощи симисторного регулятора и блока расширения мощности. Мощность электрического нагревателя — от 30  до 48 кВт, Питание вентилятора 380 В.
Регулировка скорости вращения вентилятора при помощи частотного регулятора путем изменения частоты подаваемого на вентилятор напряжения. Изменение частоты от 25 до 50 Гц. Защита ТЭНов электрического калорифера от перегрева. Управление вентиляционной заслонкой, индикация загрязнения фильтра. Отключение питания щита от контакта пожарной сигнализации.

Описание работы


При нажатии кнопки ПУСК ВЕНТИЛЯТОРА происходит запуск вентилятора М1, при этом на передней панели щита управления загорится лампа РАБОТА ВЕНТИЛЯТОРА. После запуска вентилятора возможно включение нагревателя.
Кнопкой ПУСК НАГРЕВАТЕЛЯ1 включается канальный нагреватель NK1 и загорится индикаторная лампа РАБОТА НАГРЕВАТЕЛЯ1. Кнопкой ПУСК НАГРЕВАТЕЛЯ2 включается вторая ступень NK2 канального нагревателя.
Симисторный регулятор температуры, путем периодического включения/выключения нагревателя поддерживает заданную температуру приточного воздуха. Датчик температуры ТЕ устанавливается в канале приточной вентиляции или в помещении.
Кнопками СТОП можно выключить вентилятор и оба нагревателя. Нагреватель не работает, если не включить вентилятор. При срабатывании термостатов защиты канальный нагреватель отключается, а вентилятор продолжает работать.
При размыкании контакта пожарной сигнализации FS1 вентилятор и нагреватель также отключается.
К щиту управления возможно подключение частотного регулятора ATV212. Подбор частотного регулятора производится по мощности приточного вентилятора.

Наименование щита

Вентилятор, кВт

Нагреватель, кВт

Максимальный рабочий ток, А

Размеры щита, мм, IP66

ЩУ6-1,5-30

1,5

30

57

500х600х200

ЩУ6-1,5-36

1,5

36

67

500х600х200

ЩУ6-2,2-42

2,2

42

78

500х600х200

ЩУ6-2,2-48

2,2

48

88

500х600х200


В щитах управления ЩУ6-1,5-30/Р, ЩУ6-1,5-36/Р, ЩУ6-2,2-42/Р и ЩУ6-2,2-48/Р частотный регулятор ATV212HU15N4 (ATV212HU22N4) установлен внутри щита управления. На дверце щита смонтирован выносной пульт управления частотным регулятором.

Наименование щита

Вентилятор, кВт

Нагреватель, кВт

Максимальный рабочий ток, А

Частотный регулятор

Размеры щита, мм, IP66

ЩУ6-1,5-30/Р

1,5

30

57

ATV212HU15N4

600х800х250

ЩУ6-1,5-36/Р

1,5

36

67

ATV212HU15N4

600х800х250

ЩУ6-2,2-42/Р

2,2

42

78

ATV212HU22N4

600х800х250

ЩУ6-2,2-48/Р

2,2

48

88

ATV212HU22N4

600х800х250




 

Функции


  • вкл/выкл. вентилятора кнопками на дверце щита управления
  • вкл/выкл. первой группы ТЭНов кнопками на дверце щита управления
  • вкл/выкл. второй группы ТЭНов кнопками на дверце щита управления
  • защита от перегрева ТЭНов калорифера
  • блокирование включения нагревателя без включения вентилятора
  • поддержание заданной температуры в канале вентиляции
  • откр/закр вентиляционной заслонки (привод 220 В трехпроводное управление)
  • индикация загрязнения фильтра
  • отключение питания по сигналу пожарной сигнализации (NO)
  • регулировка скорости вращения вентилятора с помощью подключаемого частотного регулятора
  • регулировка скорости вращения вентилятора (для щитов с обозначением /Р) частотный регулятор внутри щита

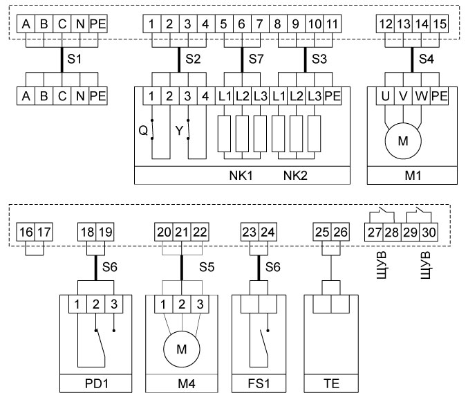
Схема подключения ЩУ6-1,5-30, ЩУ6-1,5-36, ЩУ6-2,2-42 и ЩУ6-2,2-48



 
NK1 - канальный нагреватель;
NK2 - вторая ступень канального нагревателя; М1 - приточный трехфазный вентилятор;
М4 - электропривод воздушной заслонки 220 В, трехпроводное управление;
PD1 -  дифференциальный датчик давления для индикации загрязнения фильтра; ТЕ  - температурный канальный датчик ТД1;
FS1 - контакт системы пожарной сигнализации (нормально разомкнутый); В щите должна быть установлена перемычка между контактами 16 и 17;
А  В  С - сеть, N - рабочая нейтраль, PE - защитная земля;
Q - термостат защиты от перегрева, температура срабатывания 70–80 С;
Y - термостат защиты от воспламенения, температура срабатывания 120–130 С.

Подводимые провода


Щит управления

Обозначение кабеля

Тип кабеля

ЩУ6-1,5-30

ЩУ6-1,5-30/Р ЩУ6-1,5-36

ЩУ6-1,5-36/Р

S1

ВВГ 5х16

ЩУ6-2,2-42

ЩУ6-2,2-42/Р ЩУ6-2,2-48

ЩУ6-2,2-48/Р

S1

ВВГ 5х25

Для всех ЩУ6

S2

S3

S4

S5

S6

S7

МКЭШ 4х0,75

ВВГ 4х10

ВВГ 4х1,5

МКЭШ 3х0,75

МКЭШ 2х0,75

ВВГ 3х10

Щиты управления - ЩУ6

Регулировка температуры приточного воздуха при помощи симисторного регулятора и блока расширения мощности. Мощность электрического нагревателя — от 30  до 48 кВт, Питание вентилятора 380 В.Регулировка скорости вращения вентилятора при помощи частотного регулятора путем изменения частоты подаваемого на вентилятор напряжения. Изменение частоты от 25 до 50 Гц. Защита ТЭНов электрического калорифера от перегрева. Управление вентиляционной заслонкой, индикация загрязнения фильтра. Отключение питания щита от контакта пожарной сигнализации.Описание работыПри нажатии кнопки ПУСК ВЕНТИЛЯТОРА происходит запуск вентилятора М1, при этом на передней панели щита управления загорится лампа РАБОТА ВЕНТИЛЯТОРА. После запуска вентилятора возможно включение нагревателя.Кнопкой ПУСК НАГРЕВАТЕЛЯ1 включается канальный нагреватель NK1 и загорится индикаторная лампа РАБОТА НАГРЕВАТЕЛЯ1. Кнопкой ПУСК НАГРЕВАТЕЛЯ2 включается вторая ступень NK2 канального нагревателя.Симисторный регулятор температуры, путем периодического включения/выключения нагревателя поддерживает заданную температуру приточного воздуха. Датчик температуры ТЕ устанавливается в канале приточной вентиляции или в помещении.Кнопками СТОП можно выключить вентилятор и оба нагревателя. Нагреватель не работает, если не включить вентилятор. При срабатывании термостатов защиты канальный нагреватель отключается, а вентилятор продолжает работать.При размыкании контакта пожарной сигнализации FS1 вентилятор и нагреватель также отключается.К щиту управления возможно подключение частотного регулятора ATV212. Подбор частотного регулятора производится по мощности приточного вентилятора.

Щиты управления - ЩУ6
0.00

Поддержка

Каталог Системы вентиляции

Получить наиболее подробную
информацию о продукции Вы всегда
можете в нашем каталоге.

Скачать

Единый прайс-лист

В нашем прайс-листе вы найдете
самые актуальные цены на всю
предлагаемую нами продукцию.

Скачать

Сертификаты на продукцию

Вся продукция завода полностью
сертифицирована и прошла все
необходимые испытания.

Перейти

Монтаж вентиляции
Аэродинамические испытания
Электрофизические измерения

Вентиляторы :: Воздуховоды :: Клапаны

+375 (29) 187-67-00

+375 (232) 53-54-55

часы работы: 9:00—18:00

Яндекс.Метрика