- Простейшее управление приточной системой с электрическим калорифером
- Совместная работа с терморегулятором МРТ380
Распечатать
Блоки силовые
Типоразмерный ряд
|
Наименование |
Вентилятор, максимальная мощность, кВт |
Электрический нагреватель, максимальная мощность, кВт |
Максимальный рабочий ток блока силового, А |
Габаритные размеры, мм |
Класс защиты |
|
БС25 |
5,5 |
16 |
38 |
364х221х100 |
IP40 |
|
БС40 |
7,5 |
26 |
58 |
448х280х148 |
IP65 |



|
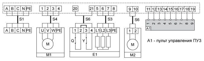
Блок силовой |
Обозначение кабеля |
Тип кабеля |
|
БС25 БС40 |
S1 S1 |
ВВГ 5х10 ВВГ 5х16 |
|
БС25 БС40 |
S3 S3 |
ВВГ 4х6 ВВГ 4х10 |
|
для всех БС |
S4 S6 |
ВВГ 4х1,5 МКЭШ 2х0,75 |
Поддержка
Каталог Системы вентиляции
Получить наиболее подробную
информацию о продукции Вы всегда
можете в нашем каталоге.
Единый прайс-лист
В нашем прайс-листе вы найдете
самые актуальные цены на всю
предлагаемую нами продукцию.
Сертификаты на продукцию
Вся продукция завода полностью
сертифицирована и прошла все
необходимые испытания.