ПРЕИМУЩЕСТВА
- Новые профильные лопатки
- Установка в любом положении
- Облегченный конструктив
- Высокое КПД
Распечатать
Модернизированные Осевые
Вентиляторы подпора
Типоразмерный ряд
Вентиляторы для систем противодымной вентиляции устанавливаются в специальных приточных системах дымоудаления для создания избыточного давления в лестничные клетки, тамбуры-шлюзы и шахты лифтов зданий, чтобы предотвратить проникновение дыма в эти помещения и создать возможность проведения работ по борьбе с пожаром и по спасению людей и оборудования.
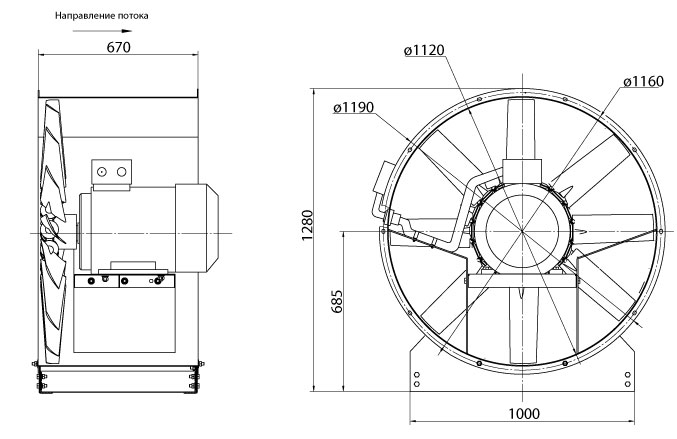
Рабочее колесо состоит из пластиковых лопаток, установленных на алюминиевом хабе.
Особенностью вентиляторов является возможность установки лопаток под разными углами, благодаря этому вентилятор с одним диаметром колеса обеспечивает целую область режимов. Вентилятор изготавливается на стойке (исполнение 02).
Осевые вентиляторы изготавливаются из углеродистой стали.
|
Обозначение |
Напряжение/частота |
Фазность |
Мощность двигателя |
Частота вращения |
Угол наклона лопаток |
Масса, кг |
|
В/Гц |
~ |
кВт |
об/мин |
Исп.02 |
||
|
ВО-25-188М-11,2 |
380/50 |
3 |
7,5 |
1000 |
H |
203 |
|
ВО-25-188М-11,2 |
380/50 |
3 |
7,5 |
1000 |
G |
203 |
|
ВО-25-188М-11,2 |
380/50 |
3 |
7,5 |
1000 |
E |
203 |
|
ВО-25-188М-11,2 |
380/50 |
3 |
5,5 |
1000 |
D |
188 |
|
ВО-25-188М-11,2 |
380/50 |
3 |
5,5 |
1000 |
C |
188 |


|
Обозначение |
Угол наклона лопаток |
Общ. LwA, дБ (А) |
Октавные полосы частот, Гц |
|||||||
|
Lw, уровень звуковой мощности (дБ) |
||||||||||
|
63 |
125 |
250 |
500 |
1k |
2k |
4k |
8k |
|||
|
ВО-25-188М-11,2 |
H |
108 |
94 |
99 |
107 |
107 |
105 |
98 |
92 |
85 |
|
ВО-25-188М-11,2 |
G |
107 |
94 |
99 |
107 |
106 |
103 |
97 |
91 |
83 |
|
ВО-25-188М-11,2 |
E |
107 |
88 |
95 |
106 |
105 |
104 |
97 |
90 |
84 |
|
ВО-25-188М-11,2 |
D |
105 |
85 |
94 |
104 |
103 |
100 |
94 |
87 |
79 |
|
ВО-25-188М-11,2 |
C |
104 |
86 |
94 |
105 |
104 |
99 |
93 |
86 |
78 |
Акустические характеристики измерены со стороны нагнетания при нормальном режиме работы вентилятора. На стороне всасывания уровни звуковой мощности на 3 дБ ниже уровней, приведенных в таблице.
На границах рабочего участка аэродинамической характеристики уровни звуковой мощности на 3 дБ выше уровня звуковой мощности, соответствующего номинальному режиму работы вентилятора.
Поддержка
Каталог Системы вентиляции
Получить наиболее подробную
информацию о продукции Вы всегда
можете в нашем каталоге.
Единый прайс-лист
В нашем прайс-листе вы найдете
самые актуальные цены на всю
предлагаемую нами продукцию.
Сертификаты на продукцию
Вся продукция завода полностью
сертифицирована и прошла все
необходимые испытания.