- Универсальный щит управления и защиты двигателей вентиляторов
- Совмещает в себе функции ЩУВ2 и ЩУВ3
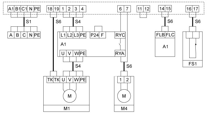
- Возможность подключения частотного регулятора
Распечатать
Щит управления вентиляторами
|
Наименование щита управления |
Мощность двигателя, кВт |
Линейный ток, А |
Выключатель для защиты двигателя |
Частотный регулятор ATV212 |
Размер щита управления (Ш/В/Г), мм |
Степень защиты |
|
ЩУВ1-0,18 |
0,18 |
0,6 |
NS 2-25 0,63-1 А |
ATV212H075N4 |
256х200х94 |
IP40 |
|
ЩУВ1-0,25 |
0,25 |
0,8 |
NS 2-25 0,63-1 А |
ATV212H075N4 |
256х200х94 |
IP40 |
|
ЩУВ1-0,37 |
0,37 |
1,2 |
NS 2-25 1-1,6 А |
ATV212H075N4 |
256х200х94 |
IP40 |
|
ЩУВ1-0,55 |
0,55 |
1,4 |
NS 2-25 1-1,6 А |
ATV212H075N4 |
256х200х94 |
IP40 |
|
ЩУВ1-0,75 |
0,75 |
2,0 |
NS 2-25 1,6-2,5 А |
ATV212H075N4 |
256х200х94 |
IP40 |
|
ЩУВ1-1,1 |
1,1 |
2,7 |
NS 2-25 2,5-4 А |
ATV212HU15N4 |
256х200х94 |
IP40 |
|
ЩУВ1-1,5 |
1,5 |
3,6 |
NS 2-25 4-6,3 А |
ATV212HU15N4 |
256х200х94 |
IP40 |
|
ЩУВ1-2,2 |
2,2 |
5,2 |
NS 2-25 4-6,3 А |
ATV212HU22N4 |
256х200х94 |
IP40 |
|
ЩУВ1-3 |
3,0 |
7,3 |
NS 2-25 6-10 А |
ATV212HU30N4 |
256х200х94 |
IP40 |
|
ЩУВ1-4 |
4,0 |
8,9 |
NS 2-25 6-10 А |
ATV212HU40N4 |
256х200х94 |
IP40 |
|
ЩУВ1-5,5 |
5,5 |
11,3 |
NS 2-25 9-14 А |
ATV212HU55N4 |
256х200х94 |
IP40 |
|
ЩУВ1-7,5 |
7,5 |
15,6 |
ВАМУ18 |
ATV212HU75N4 |
364x200x100 |
IP65 |
|
ЩУВ1-11 |
11 |
22 |
ВАМУ25 |
ATV212HD11N4 |
364x200x100 |
IP65 |
|
ЩУВ1-15 |
15 |
29 |
ВАМУ32 |
ATV212HD15N4 |
364x200x100 |
IP65 |




|
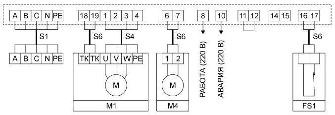
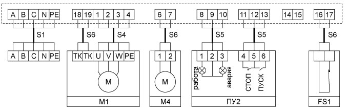
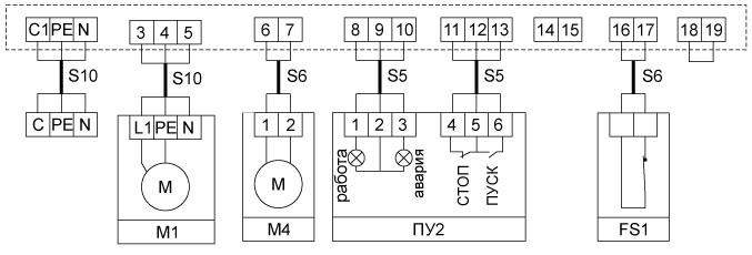
Наименование |
Обозначение кабеля |
Тип кабеля |
|
Вентилятор - 5,5 кВт и менее Вентилятор - 7,5 кВт Вентилятор - 11 кВт Вентилятор - 15 кВт Вентилятор - 18,5 и 22 кВт Вентилятор - 30 кВт |
S1 |
ВВГ 5х1,5 ВВГ 5х2,5 ВВГ 5х4 ВВГ 5х6 ВВГ 5х10 ВВГ 5х16 |
|
Вентилятор - 5,5 кВт и менее Вентилятор - 7,5 кВт Вентилятор - 11 кВт Вентилятор - 15 кВт Вентилятор - 18,5 и 22 кВт Вентилятор - 30 кВт |
S4 |
ВВГ 4х1,5 ВВГ 4х2,5 ВВГ 4х4 ВВГ 4х6 ВВГ 4х10 ВВГ 4х16 |
|
Для всех вентиляторов |
S5 |
МКЭШ 3х0,75 |
|
Для всех вентиляторов |
S6 |
МКЭШ 2х0,75 |
|
Вентилятор 220 В |
S10 |
ВВГ 3х1,5 |
Поддержка
Каталог Системы вентиляции
Получить наиболее подробную
информацию о продукции Вы всегда
можете в нашем каталоге.
Единый прайс-лист
В нашем прайс-листе вы найдете
самые актуальные цены на всю
предлагаемую нами продукцию.
Сертификаты на продукцию
Вся продукция завода полностью
сертифицирована и прошла все
необходимые испытания.