ПРЕИМУЩЕСТВА
- Новые профильные лопатки из композита
- Облегченный конструктив
- Высокое значение КПД
- Класс защиты IP54
Распечатать
Модернизированные Осевые
Вентиляторы подпора
Типоразмерный ряд
Осевые вентиляторы подпора применяются: в системах вентиляции и воздушного отопления производственных, общественных и жилых зданий, а также для других санитарно-технических и производственных целей; в системах противодымной защиты зданий; для работы, как с короткой сетью воздуховодов, так и без неё.
При работе с сетью только на стороне всасывания вентилятора полное сопротивление воздуховодов должно соответствовать статическому давлению Рsv, создаваемого вентилятором (Psv = Pv-Pdv). Вентиляторы должны устанавливаться вне обслуживаемого помещения и за пределами зоны постоянного пребывания людей. Вентиляторы работоспособны только в горизонтальном положении.
Применение вентиляторов для обслуживания помещений категорий А и Б по взрывопожарной и пожарной опасности не допускается.
Питание электродвигателей от сети с напряжением 380 В и частотой тока 50 Гц, класс защиты IP 54.
Особенностью конструкции модернизированных вентиляторов подпора является возможность установки лопаток под разными углами, благодаря этому вентилятор обеспечивает лучшую производительность по напору без применения дополнительных направляющих аппаратов.
Рабочее колесо вентилятора состоит из композитных лопаток, установленных на алюминиевом хабе.
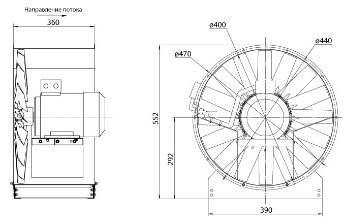
Вентилятор изготавливается в двух вариантах, отличающихся креплением обечайки: на стойке и фланцевое.
Корпус вентиляторов цельносварной цилиндрический изготавливается из углеродистой стали и окрашивается порошковой краской в серый цвет.
Вентиляторы должны устанавливаться вне обслуживающего помещения и за пределами зоны постоянного пребывания людей. Они предназначены для эксплуатации в условиях умеренного (У) и тропического (Т) климата 2-ой категории размещения по ГОСТ 15150.
температура окружающей среды от -40°С до +45°С (от -10°С до +50°С для тропического климата);
среднее значение виброскорости внешних источников
вибрации в местах установки вентилятора не более 2 мм/с.
|
Обозначение |
Напряжение/частота |
Фазность |
Мощность двигателя |
Частота вращения |
Угол наклона лопаток |
Масса, кг |
|
В/Гц |
~ |
кВт |
об/мин |
На стойке |
||
|
|
380/50 |
3 |
0,18 |
1350 |
A |
22 |
|
ВО-30-160М-4,0 |
380/50 |
3 |
0,18 |
1350 |
B |
22 |
|
ВО-30-160М-4,0 |
380/50 |
3 |
0,25 |
1320 |
F |
24 |
|
ВО-30-160М-4,0 |
380/50 |
3 |
0,37 |
1320 |
I |
25 |
|
ВО-30-160М-4,0 |
380/50 |
3 |
1,1 |
2800 |
A |
28 |



|
Обозначение |
Угол наклона лопаток |
Общ. LwA, дБ (А) |
Октавные полосы частот, Гц |
|||||||
|
Lw, уровень звуковой мощности (дБ) |
||||||||||
|
63 |
125 |
250 |
500 |
1k |
2k |
4k |
8k |
|||
|
|
A |
82 |
70 |
75 |
83 |
83 |
81 |
74 |
68 |
61 |
|
ВО-30-160М-4,0 |
B |
87 |
74 |
79 |
87 |
86 |
83 |
77 |
76 |
63 |
|
ВО-30-160М-4,0 |
F |
88 |
71 |
76 |
87 |
86 |
85 |
78 |
71 |
65 |
|
ВО-30-160М-4,0 |
I |
91 |
72 |
80 |
90 |
90 |
86 |
80 |
72 |
65 |
|
ВО-30-160М-4,0 |
A |
94 |
74 |
84 |
94 |
94 |
88 |
81 |
75 |
68 |
Акустические характеристики измерены со стороны нагнетания при нормальном режиме работы вентилятора. На стороне всасывания уровни звуковой мощности на 3 дБ ниже уровней, приведенных в таблице.
На границах рабочего участка аэродинамической характеристики уровни звуковой мощности на 3 дБ выше уровня звуковой мощности, соответствующего номинальному режиму работы вентилятора.
Поддержка
Каталог Системы вентиляции
Получить наиболее подробную
информацию о продукции Вы всегда
можете в нашем каталоге.
Единый прайс-лист
В нашем прайс-листе вы найдете
самые актуальные цены на всю
предлагаемую нами продукцию.
Сертификаты на продукцию
Вся продукция завода полностью
сертифицирована и прошла все
необходимые испытания.