Стандартный щит управления приточной вентиляционной системы с водяным калорифером. Индикация текущей температуры в канале вентиляции.
Канальный вентилятор на 380 В, мощностью до 5,5 кВт. Двигатель должен быть оснащен термоконтактами. Возможно дистанционное управление щитом частотным регулятором оборотов ATV21.
Минимально возможный состав приточной вентиляционной системы с водяным калорифером:
- приточный вентилятор на 380 В, мощность не более 4 или 5,5 кВт. Возможно подключение вытяжного вентилятора;
- смесительный узел СУ2 или СУ3. Тип смесительного узла подбирается под параметры водяного калорифера;
- воздушный клапан с электроприводом (рекомендуется). Привод с возвратной пружиной, питание 220 В., Например, LF230 Belimo;
- воздушный фильтр (рекомендуется). Загрязнение фильтра определяется при помощи реле давления. Например, PS500;
- щит управления ШУТ1-4,0 или ЩУТ1-5,5;
- термостат защиты от замерзания (рекомендуется). Например, TF30;
- частотный регулятор ATV212. (При необходимости).
Комплектность щитов управления:
- щит управления в пластиковом корпусе 455х255х100 мм;
- канальный датчик температуры;
- накладной датчик температуры обратной воды.
В щите управления установлен температурный контроллер Klimat 101.
К щиту управления возможно подключать вытяжные вентиляторы, для совместного включения приточного и вытяжного вентиляторов.
Вытяжные вентиляторы подключаются при помощи щитов ЩУВ1, ЩУВ2 или ЩУВ3.
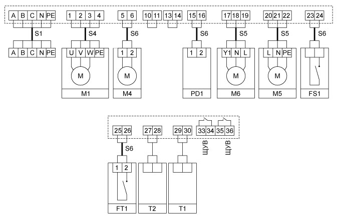
Типовая схема вентиляционной установки с водяным калорифером

Щит управления осуществляет регулирование температуры приточного воздуха и защиту теплоносителя водяного калорифера NW1 от замерзания.
В щите управления установлен переключатель ЗИМА-ЛЕТО. В режиме ЛЕТО прекращается работа циркуляционного насоса M5.
В режиме ЗИМА терморегулятор управляет работой электропривода М6 для двух или трехходового вентиля. Заданная температура приточного воздуха поддерживается путем изменения количества горячей воды, протекающей через водяной калорифер.
Если температура обратной воды падает ниже 12 °С, то терморегулятор дополнительно открывает
смесительный вентиль, увеличивая поступление горячей воды.
При температуре 7 °С вентилятор отключается и закрывается заслонка приточного воздуха.
Отключение вентилятора и закрытие заслонки может произвести и термостат защиты FT1. Для надежности
работы водяного калорифера рекомендуется устанавливать эту дополнительную защиту. Дифференциальное реле давления PD1 срабатывает, когда падение давления на фильтре становится больше выставленного значения. При этом на дверце щита загорается красная лампочка.
Отключение щита управления при получении сигнала от пожарной сигнализации происходит при помощи независимого расцепителя, который выключает вводной автоматический выключатель щита управления. Контакт пожарной сигнализации FS1 должен быть нормально разомкнутым и выдерживать ток 1 А напряжением 220 В в течение 1 секунды.
Отключение вентилятора по сигналу реле защиты ТР220 при угрозе перегрева двигателя.
NW1 - водяной калорифер;
М2 - вентилятор на 380 В, двигатель вентилятора должен быть оснащен термоконтактами; М4 - электропривод воздушной заслонки на 220 В с возвратной пружиной;
М5 - циркуляционный насос на 220 В / 6 А;
М6 - электропривод для двух- или трехходового вентиля, питание 24 В, управление сигналом 0-10 В;
FS1 - контакт пожарной сигнализации;
PD1 - дифференциальный датчик давления PS500;
FT1 - термостат защиты от замерзания TF;
T2 - канальный датчик температуры TG-K1000;
T1 - накладной датчик температуры обратной воды TG-A1000;
Схема подключения ЩУТ1-4,0 и ЩУТ1-5,5 (380)

Управление работой вентилятора при помощи кнопок ПУСК / СТОП на щите управления. Выставление нужной температуры на терморегуляторе Klimat 101.
Зеленая лампочка подтверждает работу вентилятора, красная — засорение фильтра.
Другая красная лампочка сигнализирует о переходе в режим АВАРИЯ, при угрозе замерзания теплоносителя в калорифере или при замыкании контакта пожарной сигнализации.
Для работы щита управления необходимо установить перемычку между контактами 10 и 11, 13 и 14.