- Регулирование температуры приточного воздуха
- Активная защита от замерзания теплоносителя
- Металлический корпус
Распечатать
Щиты управления с водяным калорифером
Типоразмерный ряд
|
Наименование щита |
Вентилятор, кВт, 380 В |
Максимальный рабочий ток, А |
Размеры щита, мм, IP66 |
|
ЩУТ3-4 |
4 |
16 |
400х500х200 |
|
ЩУТ3-5,5 |
5,5 |
21 |
400х500х200 |
|
ЩУТ3-7,5 |
7,5 |
24 |
400х500х200 |
|
ЩУТ3-11 |
11 |
30 |
400х500х200 |
|
ЩУТ3-15 |
15 |
37 |
400х500х200 |



|
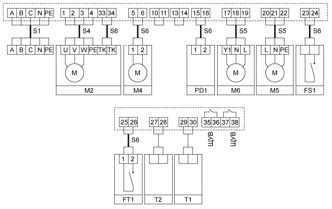
Щит управления |
Обозначение кабеля |
Тип кабеля |
|
ЩУТ3-4,0 ЩУТ3-7,5 ЩУТ3-15,0 |
S1 |
ВВГ 5х2,5 ВВГ 5х4 ВВГ 5х10 |
|
ЩУТ3-4,0 ЩУТ3-7,5 ЩУТ3-15,0 |
S4 |
ВВГ 4х1,5 ВВГ 4х2,5 ВВГ 4х6 |
|
Для всех ЩУТ3 |
S5 S6 |
МКЭШ 3х0,75 МКЭШ 2х0,75 |
Поддержка
Каталог Системы вентиляции
Получить наиболее подробную
информацию о продукции Вы всегда
можете в нашем каталоге.
Единый прайс-лист
В нашем прайс-листе вы найдете
самые актуальные цены на всю
предлагаемую нами продукцию.
Сертификаты на продукцию
Вся продукция завода полностью
сертифицирована и прошла все
необходимые испытания.