- Регулирование скорости приточного вентилятора
- Регулирование температуры приточного воздуха
- Активная защита от замерзания теплоносителя
Распечатать
Щиты управления с водяным калорифером
Типоразмерный ряд
|
Наименование щита |
Вентилятор, кВт, 380 В |
Максимальный рабочий ток, А |
Частотный регулятор |
Размеры щита, мм, IP66 |
|
ЩУТ4-0,75 |
0,75 |
10 |
ATV212H075N4 |
600х800х250 |
|
ЩУТ4-1,5 |
1,5 |
12 |
ATV212HU15N4 |
600х800х250 |
|
ЩУТ4-2,2 |
2,2 |
14 |
ATV212HU22N4 |
600х800х250 |
|
ЩУТ4-3 |
3 |
16 |
ATV212HU30N4 |
600х800х250 |
|
ЩУТ4-4 |
4,0 |
18 |
ATV212HU40N4 |
600х800х250 |
|
ЩУТ4-5,5 |
5,5 |
22 |
ATV212HU55N4 |
600х800х250 |
|
ЩУТ4-7,5 |
7,5 |
24 |
ATV212HU75N4 |
600х800х250 |
|
ЩУТ4-11 |
11,0 |
31 |
ATV212HD11N4 |
600х1000х300 |
|
ЩУТ4-15 |
15,0 |
38 |
ATV212HD15N4 |
600х1000х300 |


|
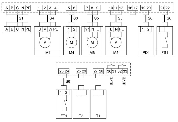
Щит управления |
Обозначение кабеля |
Тип кабеля |
|
ЩУТ4-0,75 ЩУТ4-1,5 ЩУТ4-2,2 ЩУТ4-3 ЩУТ4-4 ЩУТ4-5,5 ЩУТ4-7,5 ЩУТ4-11,0 ЩУТ4-15,0 |
S1 |
ВВГ 5х1,5
ВВГ 5х2,5
ВВГ 5х4
ВВГ 5х6 |
|
ЩУТ4-0,75 ЩУТ4-1,5 ЩУТ4-2,2 ЩУТ4-3 ЩУТ4-4 ЩУТ4-5,5 ЩУТ4-7,5 ЩУТ4-11,0 ЩУТ4-15,0 |
S4 |
ВВГ 4х1,5
ВВГ 4х2,5 ВВГ 4х4 ВВГ 4х6 |
|
Для всех ЩУТ4 |
S5 S6 |
МКЭШ 3х0,75 МКЭШ 2х0,75 |
Поддержка
Каталог Системы вентиляции
Получить наиболее подробную
информацию о продукции Вы всегда
можете в нашем каталоге.
Единый прайс-лист
В нашем прайс-листе вы найдете
самые актуальные цены на всю
предлагаемую нами продукцию.
Сертификаты на продукцию
Вся продукция завода полностью
сертифицирована и прошла все
необходимые испытания.