ЩУТ1-2,0 (220)

Щит управления приточной системой с водяным калорифером

  • Пластмассовый корпус, минимальные размеры
  • Активная защита от замерзания теплоносителя
  • Возможность подключения симисторного регулятора скорости


Распечатать

Стандартный щит управления приточной вентиляционной системы с водяным калорифером.
Канальный вентилятор на 220 В. Возможно дистанционное управление вентилятором симисторным регулятором оборотов. Включение/выключение вентилятора в щите управления или с выносного пульта управления ПУ2.

Минимально возможный состав приточной вентиляционной системы с водяным калорифером:


  • приточный вентилятор на 220 В, максимальный рабочий ток 13 А. Возможно подключение вытяжного вентилятора;
  • смесительный узел СУ2 или СУ3. Тип смесительного узла подбирается под параметры водяного калорифера;
  • воздушный клапан с электроприводом (рекомендуется). Привод с возвратной пружиной, питание 220 В., Например, LF230 Belimo;
  • воздушный фильтр (рекомендуется). Загрязнение фильтра определяется при помощи реле давления. Например, PS500;
  • щит управления ЩУТ1-2,0;
  • термостат защиты от замерзания (рекомендуется). Например, TF30;
  • симисторный регулятор скорости вентилятора СРМ. Тип регулятора зависит от мощности вентилятора. (При необходимости).

Комплектность щита управления:


  • щит управления в пластиковом корпусе 455х255х100 мм;
  • канальный датчик температуры;
  • накладной датчик температуры обратной воды.

В щите управления установлен контроллер Klimat 101.
К щиту управления возможно подключать вытяжные вентиляторы, для совместного включения приточного и вытяжного вентиляторов.
Вытяжные вентиляторы подключаются при помощи щитов ЩУВ1, ЩУВ2 или ЩУВ3.

Наименование щита

Вентилятор, кВт, 220 В

Максимальный рабочий ток вентилятора, А

Максимальный рабочий ток щита управления, А

Размеры щита, мм, IP40

ЩУТ1-2,0 (220)

2

13

14

455х255х100

Стандартные функции


  • ручной пуск и останов вентилятора (питание 220 В);
  • регулирование температуры приточного воздуха;
  • управление электроприводом воздушной заслонки (питание 220 В, возвратная пружина);
  • подключение датчика загрязнения фильтра;
  • управление работой циркуляционного насоса;
  • подключение капиллярного термостата защиты от замерзания;
  • отключение вентилятора при замыкании контакта пожарной сигнализации;
  • при выключении вентилятора переход терморегулятора в экономичный дежурный режим с поддержанием температуры обратной воды;
  • подключение симисторного регулятора скорости вращения вентилятора. Управление вентиляционной установкой непосредственно с регулятора оборотов;
  • для удаленного управления возможно подключить пульт управления ПУ2.

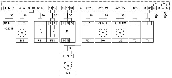
Типовая схема вентиляционной установки с водяным калорифером



 
NW1 - водяной калорифер;
М1 - канальный вентилятор на 220 В, встроенные термоконтакты;
М4 - электропривод воздушной заслонки на 220 В с возвратной пружиной; М5 - циркуляционный насос на 220 В / 6 A;
М6 - электропривод для двух- или трехходового вентиля, питание 24 В, управление сигналом 0-10 В;
FS1 - контакт пожарной сигнализации;
PD1 - дифференциальный датчик давления PS500;
FT1 - термостат защиты от замерзания TF;
T2 - канальный датчик температуры TG-K1000;
T1 - накладной датчик температуры обратной воды TG-A1000;

Схема подключения ЩУТ1-2,0 (220), вкл/выкл вентилятора кнопками с щита управления




Управление работой вентилятора при помощи кнопок ПУСК / СТОП на щите управления. Выставление нужной температуры на терморегуляторе Klimat101.
Зеленая лампочка подтверждает работу вентилятора, красная — засорение фильтра.
Другая красная лампочка сигнализирует о переходе в режим АВАРИЯ, при угрозе замерзания теплоносителя в калорифере или при замыкании контакта пожарной сигнализации.
Для работы щита управления необходимо установить перемычку между контактами 9 и 10,18 и 19.

Схема подключения ЩУТ1-2,0 (220), управление вентилятором симисторным регулятором СРМ




R1 - симисторный регулятор скорости СРМ.
Управление работой вентилятора при помощи кнопки PUSH на симисторном регуляторе оборотов СРМ. Тип регулятора подбирается по максимальному рабочему току вентилятора от 1 до 7 А.
 


Подводимые провода


Щит управления

Обозначение кабеля

Тип кабеля

Вентилятор 5А

S6

S5

МКЭШ 2х0,75

МКЭШ 3х0,75

Вентилятор 7 А

S6

S5

МКЭШ 2х0,75

ВВГ 3х1,5

Вентилятор 13 А

S6

S5

ВВГ 2х1,5

ВВГ 3х2,5

Щиты управления - ЩУТ1-2,0 (220)

Стандартный щит управления приточной вентиляционной системы с водяным калорифером.Канальный вентилятор на 220 В. Возможно дистанционное управление вентилятором симисторным регулятором оборотов. Включение/выключение вентилятора в щите управления или с выносного пульта управления ПУ2.Минимально возможный состав приточной вентиляционной системы с водяным калорифером:приточный вентилятор на 220 В, максимальный рабочий ток 13 А. Возможно подключение вытяжного вентилятора;смесительный узел СУ2 или СУ3. Тип смесительного узла подбирается под параметры водяного калорифера;воздушный клапан с электроприводом (рекомендуется). Привод с возвратной пружиной, питание 220 В., Например, LF230 Belimo;воздушный фильтр (рекомендуется). Загрязнение фильтра определяется при помощи реле давления. Например, PS500;щит управления ЩУТ1-2,0;термостат защиты от замерзания (рекомендуется). Например, TF30;симисторный регулятор скорости вентилятора СРМ. Тип регулятора зависит от мощности вентилятора. (При необходимости).Комплектность щита управления:щит управления в пластиковом корпусе 455х255х100 мм;канальный датчик температуры;накладной датчик температуры обратной воды.В щите управления установлен контроллер Klimat 101.К щиту управления возможно подключать вытяжные вентиляторы, для совместного включения приточного и вытяжного вентиляторов.Вытяжные вентиляторы подключаются при помощи щитов ЩУВ1, ЩУВ2 или ЩУВ3.

Щиты управления - ЩУТ1-2,0 (220)
0.00

Поддержка

Каталог Системы вентиляции

Получить наиболее подробную
информацию о продукции Вы всегда
можете в нашем каталоге.

Скачать

Единый прайс-лист

В нашем прайс-листе вы найдете
самые актуальные цены на всю
предлагаемую нами продукцию.

Скачать

Сертификаты на продукцию

Вся продукция завода полностью
сертифицирована и прошла все
необходимые испытания.

Перейти

Монтаж вентиляции
Аэродинамические испытания
Электрофизические измерения

Вентиляторы :: Воздуховоды :: Клапаны

+375 (29) 187-67-00

+375 (232) 53-54-55

часы работы: 9:00—18:00

Яндекс.Метрика