- Плавный пуск двигателя вентилятора
- Защита двигателя с термоконтактами
Распечатать
Щит управления вентиляторами
|
Наименование щита управления |
Мощность двигателя, кВт |
Линейный ток, А |
Реле защиты в ЩУВ4 |
Устройство плавного пуска |
Размер щита управления (Ш/В/Г), мм |
Степень защиты |
|
ЩУВ4-7,5 |
7,5 |
15,6 |
ТР220 |
ATS01N222QN |
400х500х200 |
IP66 |
|
ЩУВ4-11 |
11 |
22 |
ТР220 |
ATS01N222QN |
400х500х200 |
IP66 |
|
ЩУВ4-15 |
15 |
29 |
ТР220 |
ATS01N232QN |
400х500х200 |
IP66 |
|
ЩУВ4-18,5 |
18,5 |
35 |
ТР220 |
ATS22D47Q |
400х500х200 |
IP66 |
|
ЩУВ4-22 |
22 |
42 |
ТР220 |
ATS22D47Q |
400х500х200 |
IP66 |
|
ЩУВ4-30 |
30 |
57 |
ТР220 |
ATS22D62Q |
400х500х200 |
IP66 |


|
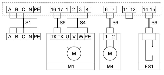
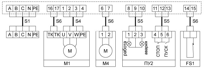
Наименование |
Обозначение кабеля |
Тип кабеля |
|
Вентилятор - 7,5 кВт Вентилятор - 11 кВт Вентилятор - 15 кВт Вентилятор - 18,5 и 22 кВт Вентилятор - 30 кВт |
S1 |
ВВГ 5х2,5 ВВГ 5х4 ВВГ 5х6 ВВГ 5х10 ВВГ 5х16 |
|
Вентилятор - 7,5 кВт Вентилятор - 11 кВт Вентилятор - 15 кВт Вентилятор - 18,5 и 22 кВт Вентилятор - 30 кВт |
S4 |
ВВГ 4х2,5 ВВГ 4х4 ВВГ 4х6 ВВГ 4х10 ВВГ 4х16 |
|
Для всех вентиляторов |
S5 |
МКЭШ 3х0,75 |
|
Для всех вентиляторов |
S6 |
МКЭШ 2х0,75 |
Поддержка
Каталог Системы вентиляции
Получить наиболее подробную
информацию о продукции Вы всегда
можете в нашем каталоге.
Единый прайс-лист
В нашем прайс-листе вы найдете
самые актуальные цены на всю
предлагаемую нами продукцию.
Сертификаты на продукцию
Вся продукция завода полностью
сертифицирована и прошла все
необходимые испытания.