Включение/выключение и регулировка скорости вращения канального вентилятора.
Возможность внешнего задания значения скорости сигналом 0-10 В или переменным резистором.
Щит используется для управления скоростью вращения канальных вентиляторов на 220 В
Описание работы
В состав щита ЩУВ6 входят автоматический выключатель и симисторный регулятор скорости вращения двигателя канального вентилятора.
При включении автоматического выключателя:
- подается питание на симисторный регулятор оборотов и вентилятор начинает вращаться с заданной скоростью;
- открывается воздушная заслонка. Питание электропривода должно быть 220 В, возвратная пружина. Например, LF230 Belimo.
Скорость вращения вентилятора определяется углом поворота ручки на лицевой панели регулятора. Крайнее левое положение соответствует подаче на вентилятор питания 100 В. Крайнее правое – включение вентилятора на полную мощность.
При выключении автоматического выключателя заслонка будет закрыта и вентилятор остановится. При замыкании контакта пожарной сигнализации FS1 вентилятор также отключается.
Для задания скорости вращения внешним сигналом 0-10 В необходимо установить переключатели на симисторном регуляторе в положение 2.
Можно задавать скорость вращения вентилятора переменным резистором 15 кОм. Возможно задание внешнего сигнала управления 0-10 В при помощи позиционера ПН1.
Внимание!
Контакт пожарной сигнализации FS1 является нормально открытым.
Схема подключения ЩУВ6, задание скорости вращения с щита управления

М1 - канальный вентилятор, питание 220 В;
М4 - электропривод воздушной заслонки, питание 220 В, возвратная пружина. Например, LF230 Belimo. FS1 - контакт системы пожарной сигнализации (нормально открытый);
L и N - сеть 220 В, PE - защитная земля.
Включение/выключение вентилятора при помощи автоматического выключателя.
При замыкании контакта пожарной сигнализации FS1 вентилятор также отключается.
Для задания нужной скорости вращения вентилятора необходимо повернуть ручку на симисторном регуляторе СРМ2,5щ (СРМ5щ).
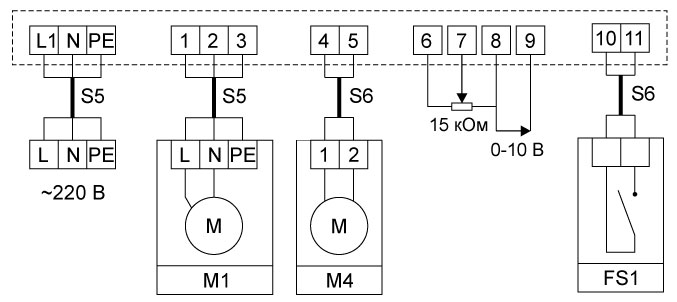
Схема подключения ЩУВ6, внешнее задание скорости вращения вентилятора
М1 - канальный вентилятор, питание 220 В;
М4 - электропривод воздушной заслонки, питание 220 В, возвратная пружина. Например, LF230 Belimo. FS1 - контакт системы пожарной сигнализации (нормально открытый);
L и N - сеть 220 В, PE - защитная земля.
Включение/выключение вентилятора при помощи автоматического выключателя.
При замыкании контакта пожарной сигнализации FS1 вентилятор также отключается.
15 кОм - переменный резистор для управления скоростью вращения вентилятора.
Крайнее левое положение резистора соответствует 100 В, крайнее правое – 220 В. Длина соединительных проводов не более 2-х метров.
Для задания скорости вращения от внешнего резистора необходимо переключатель на лицевой панели симисторного регулятора СРМ2,5щ (СРМ5щ) установить в положение 2.
0-10 В - внешний сигнал управления. Сигнал 0 В соответствует подаче на двигатель вентилятора питания 100 В, сигнал 10 В соответствует 220 В.
Длина соединительных проводов не более 13-ти метров.
Для задания скорости вращения от сигнала 0-10 В необходимо переключатель на лицевой панели симисторного регулятора СРМ2,5щ (СРМ5щ) установить в положение 2.