ВР 86-77М-4,0-ДУ

Радиальный вентилятор
дымоудаления (низкого давления)

ПРЕИМУЩЕСТВА

  • Увеличенное сечение выходного патрубка
  • Направление вращения — правое и левое
  • «Язык» на выходе имеет специальный угол
  • Рабочее колесо из жаростойкой углеродистой стали
  • Надежное охлаждение и защита электродвигателя от перегрева
  • Уменьшенный зазор между рабочим колесом и входным конфузором

       Cкачать раздел

Распечатать

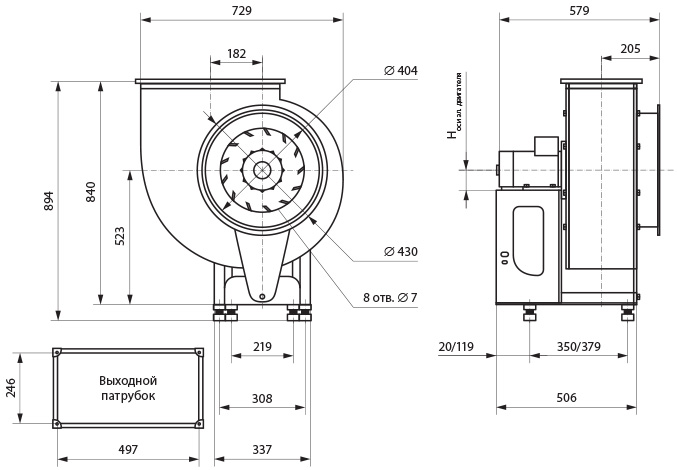
КОНСТРУКЦИЯ


Вентиляторы радиальные ВР 86-77М ДУ для дымоудаления представляют собой вентиляторы одностороннего всасывания с рабочими лопатками, загнутыми назад. Корпус вентилятора изготовлен из оцинкованной стали. Рабочее колесо изготавливается из жаростойкой углеродистой стали - исп. 02 (до 400°С) или жаростойкой углеродистой стали со специальным покрытием - исп. 01 ( до 600°С).
Привод — трехфазный асинхронный электродвигатель. Рабочее колесо расположено на валу электродвигателя. Специальное конструктивное исполнение обеспечивает надежное охлаждение и защиту электродвигателя от перегрева.

КОНСТРУКТИВНОЕ ИСПОЛНЕНИЕ


Изготавливаются по ТУ 4861-020-15185548-04 в соответствии с ГОСТ 5976-90.

ВАРИАНТЫ ИЗГОТОВЛЕНИЯ


Исполнение 01: рабочее колесо изготавливается из жаростойкой углеродистой стали со специальным покрытием, корпус — из оцинкованной стали;
Исполнение 02: рабочее колесо изготавливается из жаростойкой углеродистой стали, корпус — из оцинкованной стали.

ГАРАНТИЯ – 18 МЕСЯЦЕВ

 

 

0,75/1000

5,5/3000

D=1,0Dн

D=1,0Dн

Напряжение/частота

В/Гц

~380/50

~380/50

Фазность

~

3

3

Потребляемая мощность

кВт

0,75

5,5

Частота вращения

об/мин

1400

2900

Ток

А

2,0

11,0

Производительность

тыс. м³/час

1,8-4,1

3,63-8,24

Полное давление   t= 20 °C 

Па

500-250

2120-1250

t=400 °C

280-110

910-500

t=600 °C

165-85

700-355

Макс. темпер. перемещ. воздуха

°С

600

600

Класс защиты двигателя

 

IP54

IP54

Масса

кг

54

72

Регулятор скорости

Частотный

ATV212H075N4

ATV212HU55N4

Виброизоляторы

 

ДО-39

ДО-41

4 шт.

4 шт.

Радиальные вентиляторы - ВР 86-77М-4,0-ДУ

КОНСТРУКЦИЯВентиляторы радиальные ВР 86-77М ДУ для дымоудаления представляют собой вентиляторы одностороннего всасывания с рабочими лопатками, загнутыми назад. Корпус вентилятора изготовлен из оцинкованной стали. Рабочее колесо изготавливается из жаростойкой углеродистой стали - исп. 02 (до 400°С) или жаростойкой углеродистой стали со специальным покрытием - исп. 01 ( до 600°С).Привод — трехфазный асинхронный электродвигатель. Рабочее колесо расположено на валу электродвигателя. Специальное конструктивное исполнение обеспечивает надежное охлаждение и защиту электродвигателя от перегрева.КОНСТРУКТИВНОЕ ИСПОЛНЕНИЕИзготавливаются по ТУ 4861-020-15185548-04 в соответствии с ГОСТ 5976-90.ВАРИАНТЫ ИЗГОТОВЛЕНИЯИсполнение 01: рабочее колесо изготавливается из жаростойкой углеродистой стали со специальным покрытием, корпус — из оцинкованной стали;Исполнение 02: рабочее колесо изготавливается из жаростойкой углеродистой стали, корпус — из оцинкованной стали.ГАРАНТИЯ – 18 МЕСЯЦЕВ

Радиальные вентиляторы - ВР 86-77М-4,0-ДУ
0.00

С этим вентилятором покупают!

Поддержка

Каталог Системы вентиляции

Получить наиболее подробную
информацию о продукции Вы всегда
можете в нашем каталоге.

Скачать

Единый прайс-лист

В нашем прайс-листе вы найдете
самые актуальные цены на всю
предлагаемую нами продукцию.

Скачать

Сертификаты на продукцию

Вся продукция завода полностью
сертифицирована и прошла все
необходимые испытания.

Перейти

Монтаж вентиляции
Аэродинамические испытания
Электрофизические измерения

Вентиляторы :: Воздуховоды :: Клапаны

+375 (29) 187-67-00

+375 (232) 53-54-55

часы работы: 9:00—18:00

Яндекс.Метрика