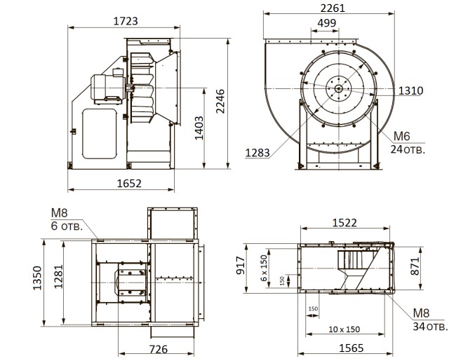
ВР 86-77М-12,5

Радиальный вентилятор

Преимущества

  • Корпус и рама из оцинкованной стали
  • Увеличенное сечение выходного патрубка
  • Направление вращения — правое и левое
  • Рабочее колесо улучшенного конструктива
  • «Язык» на выходе имеет специальный угол
  • Улучшенная конструкция спирального поворотного корпуса
  • Уменьшенный зазор между рабочим колесом и входным конфузором

       Cкачать раздел

Распечатать

ПРИМЕНЕНИЕ


Радиальные вентиляторы общего назначения применяются в стационарных системах вентиляции, кондиционирования, воздушного отопления, технологических установках и т.д.
Они предназначены для перемещения невзрывоопасной газовой среды с температурой не выше 80 °С — для обычного исполнения, содержащей твердые примеси не более 100 мг/м3, не содержащей липких веществ и волокнистых материалов.

КОНСТРУКЦИЯ


Вентиляторы серии ВР 86-77М представляют собой радиальные вентиляторы одностороннего всасывания с рабочими лопатками, загнутыми назад. Направление вращения — правое и левое. Корпус вентилятора изготовлен из оцинкованной стали. Привод — трехфазный асинхронный электродвигатель. Для защиты от перегрева вентиляторы серии ВР 86-77М снабжены встроенными термодатчиками с выводами для подсоединения устройства  защиты двигателя.

КОНСТРУКТИВНОЕ ИСПОЛНЕНИЕ


Вентиляторы изготавливаются по ТУ 4861-020-15185548-04 в соответствии с ГОСТ 5976-90.

ПРИМЕЧАНИЕ


Для вентиляторов, перемещающих воздух, который имеет плотность, отличающуюся от плотности 1,2 кг/м³ при температуре 20°С , характеристики полного давления и мощности пересчитываются по ГОСТ 10616-90.
Динамическое давление Pdv определяется в соответствии с ГОСТ 10616-90 по средней скорости в выходном сечении вентилятора.

ГАРАНТИЯ – 18 МЕСЯЦЕВ

 

 

Индекс венти- лятора

 

Исполнения

Относит. Диаметр рабочего колеса

 

Частота враще- ния

 

Мощ- ность

 

Напря- жение/ Частота

 

Фаз- ность

 

 

Ток

 

 

 

IP

 

Произво- дитель- ность

 

Полное давление

 

 

Масса

Вставки гибкие

 

Виброизоля- торы

 

Инд.

 

D/Dn

 

об/мин

 

кВт

 

В/50Гц

 

˜

 

А

тыс. м3/час

 

Па

 

кг

 

ВР 86-77М-12,5

 

О/Н

 

 

 

 

 

1

 

 

 

 

 

750

 

18,5

 

380

 

3

 

40

 

IP54

 

29,0-34,0

 

1380-1360

 

1320

 

1250

 

 

 

 

 

ДО-44

 

22,0

 

380

 

3

 

45

 

IP54

 

29,0-48,0

 

1380-720

 

1320

 

30,0

 

380

 

3

 

56.0

 

IP54

 

29,0-60,0

 

1380-720

 

1345

ПРИМЕЧАНИЕ


Вентиляторы могут быть изготовлены с углом поворота камеры спиральной «улитки» в 45, 90, 270 и 315 градусов.



 

об/мин

 

Октавные полосы частот, Гц

Общ.

63

125

250

500

1k

2k

4k

8k

750

LpA, дБ(А)

97

101

97

95

92

87

80

71

97

Радиальные вентиляторы - ВР 86-77М-12,5

ПРИМЕНЕНИЕРадиальные вентиляторы общего назначения применяются в стационарных системах вентиляции, кондиционирования, воздушного отопления, технологических установках и т.д.Они предназначены для перемещения невзрывоопасной газовой среды с температурой не выше 80 °С — для обычного исполнения, содержащей твердые примеси не более 100 мг/м3, не содержащей липких веществ и волокнистых материалов.КОНСТРУКЦИЯВентиляторы серии ВР 86-77М представляют собой радиальные вентиляторы одностороннего всасывания с рабочими лопатками, загнутыми назад. Направление вращения — правое и левое. Корпус вентилятора изготовлен из оцинкованной стали. Привод — трехфазный асинхронный электродвигатель. Для защиты от перегрева вентиляторы серии ВР 86-77М снабжены встроенными термодатчиками с выводами для подсоединения устройства  защиты двигателя.КОНСТРУКТИВНОЕ ИСПОЛНЕНИЕВентиляторы изготавливаются по ТУ 4861-020-15185548-04 в соответствии с ГОСТ 5976-90.ПРИМЕЧАНИЕДля вентиляторов, перемещающих воздух, который имеет плотность, отличающуюся от плотности 1,2 кг/м³ при температуре 20°С , характеристики полного давления и мощности пересчитываются по ГОСТ 10616-90.Динамическое давление Pdv определяется в соответствии с ГОСТ 10616-90 по средней скорости в выходном сечении вентилятора.ГАРАНТИЯ – 18 МЕСЯЦЕВ

Радиальные вентиляторы - ВР 86-77М-12,5
0.00

С этим вентилятором покупают!

Поддержка

Каталог Системы вентиляции

Получить наиболее подробную
информацию о продукции Вы всегда
можете в нашем каталоге.

Скачать

Единый прайс-лист

В нашем прайс-листе вы найдете
самые актуальные цены на всю
предлагаемую нами продукцию.

Скачать

Сертификаты на продукцию

Вся продукция завода полностью
сертифицирована и прошла все
необходимые испытания.

Перейти

Монтаж вентиляции
Аэродинамические испытания
Электрофизические измерения

Вентиляторы :: Воздуховоды :: Клапаны

+375 (29) 187-67-00

+375 (232) 53-54-55

часы работы: 9:00—18:00

Яндекс.Метрика