ПРЕИМУЩЕСТВА
- Компактная конструкция.
- Медно-алюминиевый радиатор.
- Оцинкованный стальной корпус.
Распечатать
Канальный водяной
нагреватель (прямоугольного сечения)
Типоразмерный ряд

|
Обозначение |
toС воды на входе/ выходе |
toС воздуха на входе/ выходе |
Расход воздуха, м3/ч |
Падение давления воздуха, Па |
Падение давления теплоносителя, кПа |
Мощность, кВт |
Площадь теплообмена, м2 |
Расход воды, кг/ч |
Внутренний объем, л |
|
ВНП 100-50/2 |
90/70 |
-30/16 |
5000 |
51 |
21,0 |
92 |
16,0 |
3931 |
2,78 |
|
-20/22 |
5000 |
49 |
17,0 |
81 |
16,0 |
3485 |
2,78 |
||
|
-10/28 |
5000 |
47 |
14,0 |
71 |
16,0 |
3060 |
2,78 |
||
|
ВНП 100-50/3 |
90/70 |
-30/31 |
5000 |
72 |
18,0 |
123 |
24,0 |
5258 |
4,17 |
|
-20/36 |
5000 |
69 |
14,1 |
109 |
24,0 |
4653 |
4,17 |
||
|
-10/42 |
5000 |
66 |
11,1 |
95 |
24,0 |
4080 |
4,17 |
||
|
ВНП 100-50/4 |
90/70 |
-30/44 |
5000 |
94 |
44,3 |
149 |
31,9 |
6380 |
5,56 |
|
-20/48 |
5000 |
90 |
39,6 |
132 |
31,9 |
5648 |
5,56 |
||
|
-10/52 |
5000 |
86 |
31,3 |
116 |
31,9 |
4955 |
5,56 |
|
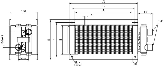
Обозначение |
Размер сечения |
Шаг (n), мм |
Количество контуров |
Габариты и размер |
Масса кг R=2 |
Масса кг R=3 |
Масса кг R=4 |
||||
|
А, мм |
В, мм |
Е, мм |
Д, мм |
Б, мм |
Г, мм |
||||||
|
ВНП 100-50 |
1000 |
500 |
2.5 |
10 - 2,3-рядный 15 - 4 рядный 13 – 4-рядный |
561 |
1061 |
1036 |
536 |
12,8 |
17,1 |
21,5 |

Поддержка
Каталог Системы вентиляции
Получить наиболее подробную
информацию о продукции Вы всегда
можете в нашем каталоге.
Единый прайс-лист
В нашем прайс-листе вы найдете
самые актуальные цены на всю
предлагаемую нами продукцию.
Сертификаты на продукцию
Вся продукция завода полностью
сертифицирована и прошла все
необходимые испытания.