ПРЕИМУЩЕСТВА
- Компактная конструкция.
- Медно-алюминиевый радиатор.
- Оцинкованный стальной корпус.
Распечатать
Канальный водяной
нагреватель (прямоугольного сечения)
Типоразмерный ряд

|
Обозначение |
toС воды на входе/ выходе |
toС воздуха на входе/ выходе |
Расход воздуха, м3/ч |
Падение давления воздуха, Па |
Падение давления теплоносителя, кПа |
Мощность, кВт |
Площадь теплообмена, м2 |
Расход воды, кг/ч |
Внутренний объем, л |
|
ВНП 80-50/2 |
90/70 |
-30/14 |
4300 |
57 |
13,0 |
77 |
12,8 |
3285 |
2,25 |
|
-20/21 |
4300 |
55 |
10,7 |
68 |
12,8 |
2910 |
2,25 |
||
|
-10/27 |
4300 |
53 |
8,5 |
60 |
12,8 |
2556 |
2,25 |
||
|
ВНП 80-50/3 |
90/70 |
-30/30 |
4300 |
82 |
35,0 |
105 |
19,2 |
4483 |
3,37 |
|
-20/36 |
4300 |
78 |
28,0 |
93 |
19,2 |
3972 |
3,37 |
||
|
-10/41 |
4300 |
75 |
22,2 |
81 |
19,2 |
3486 |
3,37 |
||
|
ВНП 80-50/4 |
90/70 |
-30/42 |
4300 |
106 |
31,0 |
125 |
25,5 |
5378 |
4,49 |
|
-20/47 |
4300 |
102 |
24,9 |
111 |
25,5 |
4759 |
4,49 |
||
|
-10/51 |
4300 |
98 |
19,7 |
97 |
25,5 |
4173 |
4,49 |
|
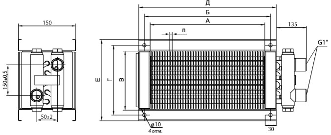
Обозначение |
Размер сечения |
Шаг (n), мм |
Количество контуров |
Габариты и размер |
Масса кг R=2 |
Масса кг R=3 |
Масса кг R=4 |
||||
|
А, мм |
В, мм |
Е, мм |
Д, мм |
Б, мм |
Г, мм |
||||||
|
ВНП 80-50 |
800 |
500 |
2.5 |
10 - 2,3-рядный 13 - 4 рядный |
561 |
861 |
836 |
536 |
10,9 |
14,5 |
18,0 |

Поддержка
Каталог Системы вентиляции
Получить наиболее подробную
информацию о продукции Вы всегда
можете в нашем каталоге.
Единый прайс-лист
В нашем прайс-листе вы найдете
самые актуальные цены на всю
предлагаемую нами продукцию.
Сертификаты на продукцию
Вся продукция завода полностью
сертифицирована и прошла все
необходимые испытания.