ПРЕИМУЩЕСТВА
- Компактная конструкция.
- Медно-алюминиевый радиатор.
- Оцинкованный стальной корпус.
Распечатать
Канальный водяной
нагреватель (прямоугольного сечения)
Типоразмерный ряд

|
Обозначение |
toС воды на входе/ выходе |
toС воздуха на входе/ выходе |
Расход воздуха, м3/ч |
Падение давления воздуха, Па |
Падение давления теплоносителя, кПа |
Мощность, кВт |
Площадь теплообмена, м2 |
Расход воды, кг/ч |
Внутренний объем, л |
|
ВНП 50-30/2 |
90/70 |
-30/13 |
1600 |
56 |
4,0 |
28 |
4,8 |
1193 |
0,87 |
|
-20/20 |
1600 |
54 |
3,2 |
25 |
4,8 |
1055 |
0,87 |
||
|
-10/26 |
1600 |
52 |
2,5 |
22 |
4,8 |
923 |
0,87 |
||
|
ВНП 50-30/3 |
90/70 |
-30/29 |
1600 |
80 |
11,0 |
38 |
7,2 |
1639 |
1,3 |
|
-20/35 |
1600 |
77 |
8,5 |
34 |
7,2 |
1450 |
1,3 |
||
|
-10/40 |
1600 |
74 |
6,8 |
30 |
7,2 |
1271 |
1,3 |
||
|
ВНП 50-30/4 |
90/70 |
-30/42 |
1600 |
104 |
20,0 |
46 |
9,6 |
1990 |
1,73 |
|
-20/46 |
1600 |
100 |
16,0 |
41 |
9,6 |
1760 |
1,73 |
||
|
-10/51 |
1600 |
96 |
13,0 |
36 |
9,6 |
1572 |
1,73 |
|
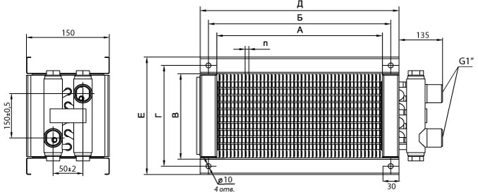
Обозначение |
Размер сечения |
Шаг (n), мм |
Количество контуров |
Габариты и размер |
Масса кг R=2 |
Масса кг R=3 |
Масса кг R=4 |
||||
|
А, мм |
В, мм |
Е, мм |
Д, мм |
Б, мм |
Г, мм |
||||||
|
ВНП 80-50 |
800 |
500 |
2.5 |
10 - 2,3-рядный 13 - 4 рядный |
561 |
861 |
836 |
536 |
10,9 |
14,5 |
18,0 |

Поддержка
Каталог Системы вентиляции
Получить наиболее подробную
информацию о продукции Вы всегда
можете в нашем каталоге.
Единый прайс-лист
В нашем прайс-листе вы найдете
самые актуальные цены на всю
предлагаемую нами продукцию.
Сертификаты на продукцию
Вся продукция завода полностью
сертифицирована и прошла все
необходимые испытания.