ПРЕИМУЩЕСТВА
- Компактная конструкция.
- Медно-алюминиевый радиатор.
- Оцинкованный стальной корпус.
Распечатать
Канальный водяной
нагреватель (прямоугольного сечения)
Типоразмерный ряд

|
Обозначение |
toС воды на входе/ выходе |
toС воздуха на входе/ выходе |
Расход воздуха, м3/ч |
Падение давления воздуха, Па |
Падение давления теплоносителя, кПа |
Мощность, кВт |
Площадь теплообмена, м2 |
Расход воды, кг/ч |
Внутренний объем, л |
|
ВНП 70-40/2 |
90/70 |
-30/14 |
3000 |
57 |
9,4 |
53 |
9,0 |
2279 |
1,58 |
|
-20/21 |
3000 |
55 |
7,6 |
47 |
9,0 |
2018 |
1,58 |
||
|
-10/27 |
3000 |
53 |
6,0 |
41 |
9,0 |
1771 |
1,58 |
||
|
ВНП 70-40/3 |
90/70 |
-30/30 |
3000 |
81 |
25,0 |
73 |
13,4 |
3116 |
2,38 |
|
-20/35 |
3000 |
78 |
20,0 |
64 |
13,4 |
2760 |
2,38 |
||
|
-10/41 |
3000 |
75 |
15,7 |
57 |
13,4 |
2421 |
2,38 |
||
|
ВНП 70-40/4 |
90/70 |
-30/43 |
3000 |
106 |
46,5 |
88 |
17,9 |
3771 |
3,17 |
|
-20/47 |
3000 |
101 |
37,3 |
78 |
17,9 |
3338 |
3,17 |
||
|
-10/51 |
3000 |
97 |
29,5 |
68 |
17,9 |
2928 |
3,17 |
|
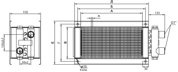
Обозначение |
Размер сечения |
Шаг (n), мм |
Количество контуров |
Габариты и размер |
Масса кг R=2 |
Масса кг R=3 |
Масса кг R=4 |
||||
|
А, мм |
В, мм |
Е, мм |
Д, мм |
Б, мм |
Г, мм |
||||||
|
ВНП 70-40 |
700 |
400 |
2.5 |
8 |
461 |
761 |
736 |
436 |
7,84 |
10,4 |
13,1 |

Поддержка
Каталог Системы вентиляции
Получить наиболее подробную
информацию о продукции Вы всегда
можете в нашем каталоге.
Единый прайс-лист
В нашем прайс-листе вы найдете
самые актуальные цены на всю
предлагаемую нами продукцию.
Сертификаты на продукцию
Вся продукция завода полностью
сертифицирована и прошла все
необходимые испытания.