ПРЕИМУЩЕСТВА
- Компактная конструкция.
- Медно-алюминиевый радиатор.
- Оцинкованный стальной корпус.
Распечатать
Канальный водяной
нагреватель (прямоугольного сечения)
Типоразмерный ряд

|
Обозначение |
toС воды на входе/ выходе |
toС воздуха на входе/ выходе |
Расход воздуха, м3/ч |
Падение давления воздуха, Па |
Падение давления теплоносителя, кПа |
Мощность, кВт |
Площадь теплообмена, м2 |
Расход воды, кг/ч |
Внутренний объем, л |
|
ВНП 90-50/2 |
90/70 |
-30/15 |
4800 |
57 |
18,0 |
86 |
14,4 |
3694 |
2,51 |
|
-20/21 |
4800 |
54 |
14,3 |
76 |
14,4 |
3274 |
2,51 |
||
|
-10/27 |
4800 |
53 |
11,5 |
67 |
14,4 |
2893 |
2,51 |
||
|
ВНП 90-50/3 |
90/70 |
-30/31 |
4800 |
80 |
46,0 |
117 |
21,6 |
5023 |
3,77 |
|
-20/36 |
4800 |
77 |
37,3 |
104 |
21,6 |
4451 |
3,77 |
||
|
-10/41 |
4800 |
75 |
30,0 |
91 |
21,6 |
3938 |
3,77 |
||
|
ВНП 90-50/4 |
90/70 |
-30/43 |
4800 |
105 |
41,2 |
141 |
28,7 |
6027 |
5,03 |
|
-20/47 |
4800 |
100 |
33,1 |
124 |
28,7 |
5330 |
5,03 |
||
|
-10/51 |
4800 |
96 |
26,2 |
109 |
28,7 |
4675 |
5,03 |
|
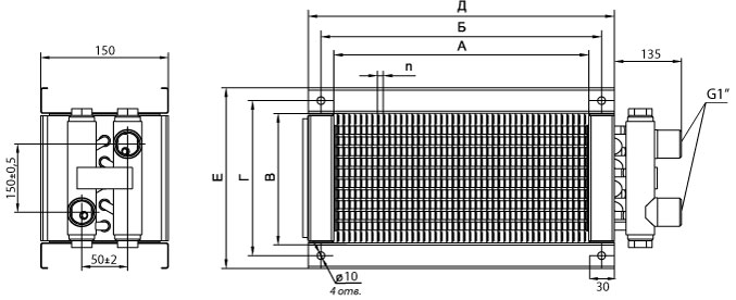
Обозначение |
Размер сечения |
Шаг (n), мм |
Количество контуров |
Габариты и размер |
Масса кг R=2 |
Масса кг R=3 |
Масса кг R=4 |
||||
|
А, мм |
В, мм |
Е, мм |
Д, мм |
Б, мм |
Г, мм |
||||||
|
ВНП 90-50 |
900 |
500 |
2.5 |
10 - 2,3-рядный 13 - 4 рядный |
561 |
961 |
936 |
536 |
11,8 |
15,8 |
19,7 |

Поддержка
Каталог Системы вентиляции
Получить наиболее подробную
информацию о продукции Вы всегда
можете в нашем каталоге.
Единый прайс-лист
В нашем прайс-листе вы найдете
самые актуальные цены на всю
предлагаемую нами продукцию.
Сертификаты на продукцию
Вся продукция завода полностью
сертифицирована и прошла все
необходимые испытания.