ПРЕИМУЩЕСТВА
- Компактная конструкция.
- Медно-алюминиевый радиатор.
- Оцинкованный стальной корпус.
Распечатать
Канальный водяной
нагреватель (прямоугольного сечения)
Типоразмерный ряд

|
Обозначение |
toС воды на входе/ выходе |
toС воздуха на входе/ выходе |
Расход воздуха, м3/ч |
падение давления воздуха, Па |
Падение давления теплоносителя, кПа |
Мощность, кВт |
Площадь теплообмена, м2 |
Расход воды, кг/ч |
Внутренний объем, л |
|
ВНП 50-25/2 |
90/70 |
-30/13 |
1350 |
58 |
4,0 |
23 |
4,0 |
1004 |
0,72 |
|
-20/20 |
1350 |
55 |
3,3 |
21 |
4,0 |
887 |
0,72 |
||
|
-10/26 |
1350 |
53 |
2,6 |
18 |
4,0 |
777 |
0,72 |
||
|
ВНП 50-25/3 |
90/70 |
-30/29 |
1350 |
82 |
11,0 |
32 |
6,0 |
1380 |
1,08 |
|
-20/35 |
1350 |
79 |
8,7 |
29 |
6,0 |
1221 |
1,08 |
||
|
-10/40 |
1350 |
76 |
6,9 |
25 |
6,0 |
1070 |
1,08 |
||
|
ВНП 50-25/4 |
90/70 |
-30/42 |
1350 |
107 |
20,4 |
39 |
8,0 |
1676 |
1,44 |
|
-20/46 |
1350 |
102 |
16,4 |
35 |
8,0 |
1482 |
1,44 |
||
|
-10/50 |
1350 |
98 |
13,0 |
30 |
8,0 |
1299 |
1,44 |
|
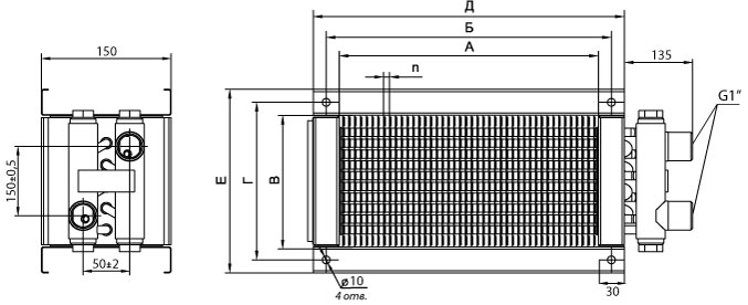
Обозначение |
Размер сечения |
Шаг (n), мм |
Количество контуров |
Габариты и размер |
Масса кг R=2 |
Масса кг R=3 |
Масса кг R=4 |
||||
|
А, мм |
В, мм |
Е, мм |
Д, мм |
Б, мм |
Г, мм |
||||||
|
ВНП 50-25 |
500 |
200 |
2.5 |
5 |
292 |
542 |
521 |
271 |
3,99 |
5,31 |
6,63 |


Поддержка
Каталог Системы вентиляции
Получить наиболее подробную
информацию о продукции Вы всегда
можете в нашем каталоге.
Единый прайс-лист
В нашем прайс-листе вы найдете
самые актуальные цены на всю
предлагаемую нами продукцию.
Сертификаты на продукцию
Вся продукция завода полностью
сертифицирована и прошла все
необходимые испытания.